Bridge Supported Drive Assemblies

McNish Worm Gear Drives for bridge supported collectors are ANSI/AGMA rated gear assemblies with minimum AGMA Tolerance grade 10. They consist of a single piece alloy steel worm and worm shaft matched to a centrifugally cast manganese bronze worm gear and housed in a precisely machined high grade cast iron housing. These drives are simple, rugged and require minimal maintenance. Output torque is rated for continuous 20-year life, at full load.

Worm Gear Drive for Bridge Supported Collectors

Worm Gear Drive Specs:

  • Cast Iron Housing to ASTM A48 Class 40
  • Centrifugally Cast C86300 Bronze Worm Gear to ASTM B271
  • Single Piece Alloy Steel Worm Shaft of AISI 8620
  • Ratings Certified to ANSI/AGMA
  • Oil Lubricated
  • High Overload Capacity
  • Extreme Corrosion Resistance
  • All Motors are 3/60/460

MODELS

Click on the row for model details

Model Output Torque Motor, hp Est. Shipping Weight Diameter
6B1 2,100 ft-lbs / 2,800 N-m ½ hp 665 Lbs / 302 Kg 15 ft
8B1 5,400 ft-lbs / 7,300 N-m ½ hp 1,150 Lbs / 522 Kg 20 ft
8B2 6,600 ft-lbs / 8,900 N-m ½ hp 1,150 Lbs / 522 Kg 25 ft
8B3 6,400 ft-lbs / 8,700 N-m ½ hp 1,150 Lbs / 522 Kg 30 ft
8B4 6,300 ft-lbs / 8,500 N-m ½ hp 1,150 Lbs / 522 Kg 35 to 40 ft
10B1 12,100 ft-lbs / 16,400 N-m ½ hp 1,570 Lbs / 712 Kg 45 to 50 ft
12B1 15,800 ft-lbs / 21,400 N-m ½ hp 2,050 Lbs / 930 Kg 55 ft

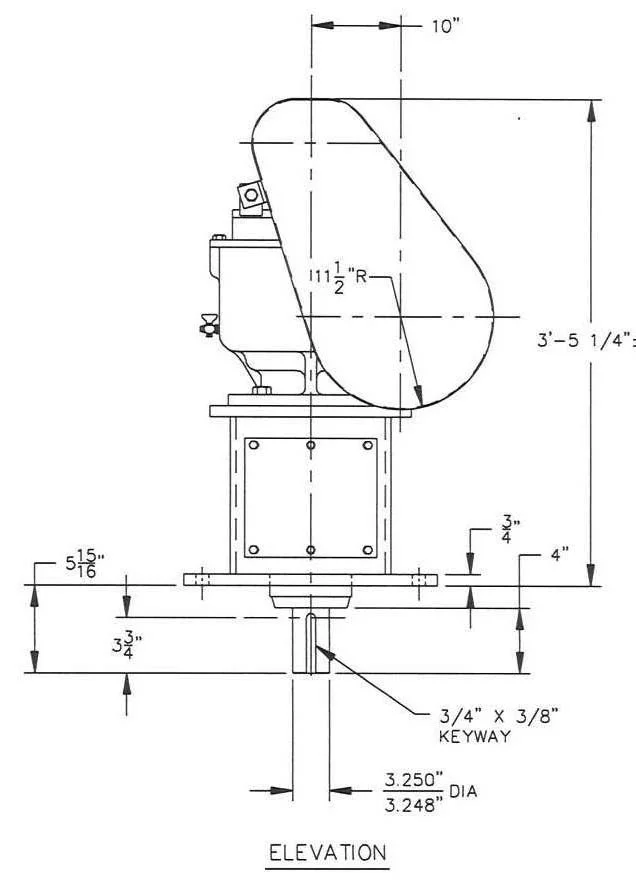
Model 6B1

Line drawing of a mechanical component with dimensions and annotations, including a large curved section and a circular base.

Output Torque (Note 1): 2,100 ft-lbs (2,800 N-m)
Drive Motor: 1/2 hp
Approx Worm Gear Weight: 565 lbs

Collector

  • Nominal Diameter

    • 15ft

  • Mechanism Tip Speed

    • 8.84 ft/min

    • 0.2009 rpm

Notes:

  1. Defined as: Maximum Continuous 20 Year Rated Output Torque

  2. Tip Speed calculated at Mechanism diameter = 12" less than Collector Nominal Diameter

  3. These drive units are not recommended for use on clarifier mechanism with diameter greater than the range listed in the table above.

  4. Half Coupling Included, See General Arrangement Drawing.

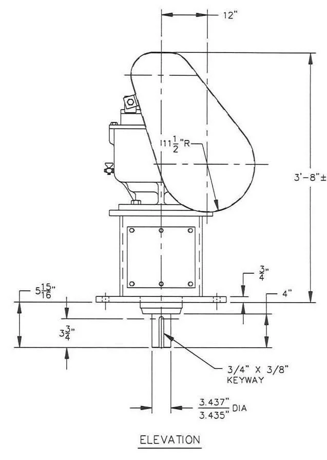
Model 8B1

Technical drawing of a mechanical part, showing side elevation with measurements and specifications such as 8 inches, 6 inches, and a 2.937-inch diameter with detailed annotations.

Output Torque: 5,400 ft-lbs (7,300 N-m)
Drive Motor: 1/2 hp
Approx Worm Gear Weight: 1,050 lbs

Collector

  • Nominal Diameter

    • 20ft

  • Mechanism Tip Speed

    • 8.86 ft/min

    • 0.1484 rpm

Notes:

  1. Defined as: Maximum Continuous 20 Year Rated Output Torque

  2. Tip Speed calculated at Mechanism diameter = 12" less than Collector Nominal Diameter

  3. These drive units are not recommended for use on clarifier mechanism with diameter greater than the range listed in the table above.

  4. Half Coupling Included, See General Arrangement Drawing.

Model 8B2

Technical drawing of a mechanical component with dimension measurements in inches, showing an elevation view including a rounded top and a mounting base, with detailed size annotations for each part.

Output Torque: 6,600 ft-lbs (8,900 N-m)
Drive Motor: 1/2 hp
Approx Worm Gear Weight: 1,050 lbs

Collector

  • Nominal Diameter

    • 25ft

  • Mechanism Tip Speed

    • 9.18 ft/min

    • 0.1218 rpm

Notes:

  1. Defined as: Maximum Continuous 20 Year Rated Output Torque

  2. Tip Speed calculated at Mechanism diameter = 12" less than Collector Nominal Diameter

  3. These drive units are not recommended for use on clarifier mechanism with diameter greater than the range listed in the table above.

  4. Half Coupling Included, See General Arrangement Drawing.

Model 8B3

Technical engineering drawing showing side elevation of a mechanical component with measurements, including a large rounded component, a mounting base, and a shaft with a keyway.

Output Torque: 6,400 ft-lbs (8,700 N-m)
Drive Motor: 1/2 hp
Approx Worm Gear Weight: 1,050 lbs

Collector

  • Nominal Diameter

    • 30ft

  • Mechanism Tip Speed

    • 9.08 ft/min

    • 0.0996 rpm

Notes:

  1. Defined as: Maximum Continuous 20 Year Rated Output Torque

  2. Tip Speed calculated at Mechanism diameter = 12" less than Collector Nominal Diameter

  3. These drive units are not recommended for use on clarifier mechanism with diameter greater than the range listed in the table above.

  4. Half Coupling Included, See General Arrangement Drawing.

Model 8B4

Technical drawing of a mechanical component with dimensions labeled in inches, including a base, vertical shaft, and a rounded top part.

Output Torque: 6,300 ft-lbs (8,500 N-m)
Drive Motor: 1/2 hp
Approx Worm Gear Weight: 1,050 lbs

Collector

  • Nominal Diameter

    • 35ft

  • Mechanism Tip Speed

    • 8.45 ft/min

    • 0.0791 rpm

Notes:

  1. Defined as: Maximum Continuous 20 Year Rated Output Torque

  2. Tip Speed calculated at Mechanism diameter = 12" less than Collector Nominal Diameter

  3. These drive units are not recommended for use on clarifier mechanism with diameter greater than the range listed in the table above.

  4. Half Coupling Included, See General Arrangement Drawing.

Model 10B1

Technical drawing of a mechanical device with dimensions and specifications, including a circular component, mounting base, and a keyway shaft. Technical details and measurements are labeled.

Output Torque: 12,100 ft-lbs (16,400 N-m)
Drive Motor: 1/2 hp
Approx Worm Gear Weight: 1,470 lbs

Collector

  • Nominal Diameter

    • 45ft

    • 50ft

  • Mechanism Tip Speed

    • 8.46 ft/min

    • 9.42 ft/min

    • 0.0612 rpm

Notes:

  1. Defined as: Maximum Continuous 20 Year Rated Output Torque

  2. Tip Speed calculated at Mechanism diameter = 12" less than Collector Nominal Diameter

  3. These drive units are not recommended for use on clarifier mechanism with diameter greater than the range listed in the table above.

  4. Half Coupling Included, See General Arrangement Drawing.

Model 12B1

Technical engineering drawing of a mechanical component with measurements, including a keyway, mounting plate, and various dimensions in inches.

Output Torque: 15,800 ft-lbs (21,400 N-m)
Drive Motor: 1/2 hp
Approx Worm Gear Weight: 1,950 lbs

Collector

  • Nominal Diameter

    • 55ft

  • Mechanism Tip Speed

    • 9.20 ft/min

    • 0.0543 rpm

Notes:

  1. Defined as: Maximum Continuous 20 Year Rated Output Torque

  2. Tip Speed calculated at Mechanism diameter = 12" less than Collector Nominal Diameter

  3. These drive units are not recommended for use on clarifier mechanism with diameter greater than the range listed in the table above.

  4. Half Coupling Included, See General Arrangement Drawing.

Request a Quote

Interested in our gear drives? Fill out some info and we will be in touch shortly.