Pier Supported Drive Assemblies

McNish Spur Gear Drives are ANSI/AGMA gear assemblies with minimum Quality Number of Q6 on internal spur gear and Q8 on pinion gear and minimum Transmission Accuracy Level of AV11 on internal spur gear and AV9 on pinion gear (after heat treatment).

They include a split internal spur gear ting that allows access to replaceable bearing race inserts. Housings are machined from cast iron to provide stability, the highest level of precision and superior corrosion resistance. Output torque is rated for continuous 20-year life.

The drive design and torque ratings are in full conformance with and certified to the latest ANSI/AGMA standards.

Industrial valve with a blue electric actuator and chain drive, mounted on a gray metallic base.

Spur Gear Drive Specs:

  • ASTM A48 Class 40 Cast Iron Housings
  • Ductile Iron Through-Hardened Gear Ring, ASTM A536 Grade 120-90-02
  • Centrifugally Cast Bronze Worm Gear, ASTM B271
  • Single Piece Carbonized Alloy Steel Worm Shaft, AISI 8620
  • Single Piece Through-Hardened Alloy Pinion, AISI 4150
  • Replaceable Wire Race Bearing Inserts
  • Oil Lubricated With Greased Upper Pinion Bearing
  • Exceptional Corrosion Resistance
  • Ratings Certified to ANSI/AGMA
  • All Motors are 3/60/460

MODELS

Click on the row for model details

Model Output Torque Motor, hp Est. Shipping Weight Diameter
286P1 13,600 ft-lbs / 18,400 N-m ½ hp 2,200 Lbs / 1,000 Kg 30 to 40 ft
286P2 14,100 ft-lbs / 19,100 N-m ½ hp 2,200 Lbs / 1,000 Kg 45 to 55 ft
428LP1 28,500 ft-lbs / 38,600 N-m ¾ hp 2,900 Lbs / 1,300 Kg 60 to 80 ft
428LP2 29,000 ft-lbs / 39,300 N-m ½ hp 2,900 Lbs / 1,300 Kg 85 to 110 ft
428LP3 29,000 ft-lbs / 39,300 N-m ½ hp 2,900 Lbs / 1,300 Kg 115 to 120 ft
428HP1 37,000 ft-lbs / 50,200 N-m 1 hp 2,950 Lbs / 1,350 Kg 60 to 80 ft
428HP2 42,000 ft-lbs / 56,900 N-m ¾ hp 2,950 Lbs / 1,350 Kg 85 to 110 ft
428HP3 42,000 ft-lbs / 56,900 N-m ¾ hp 2,950 Lbs / 1,350 Kg 115 to 120 ft

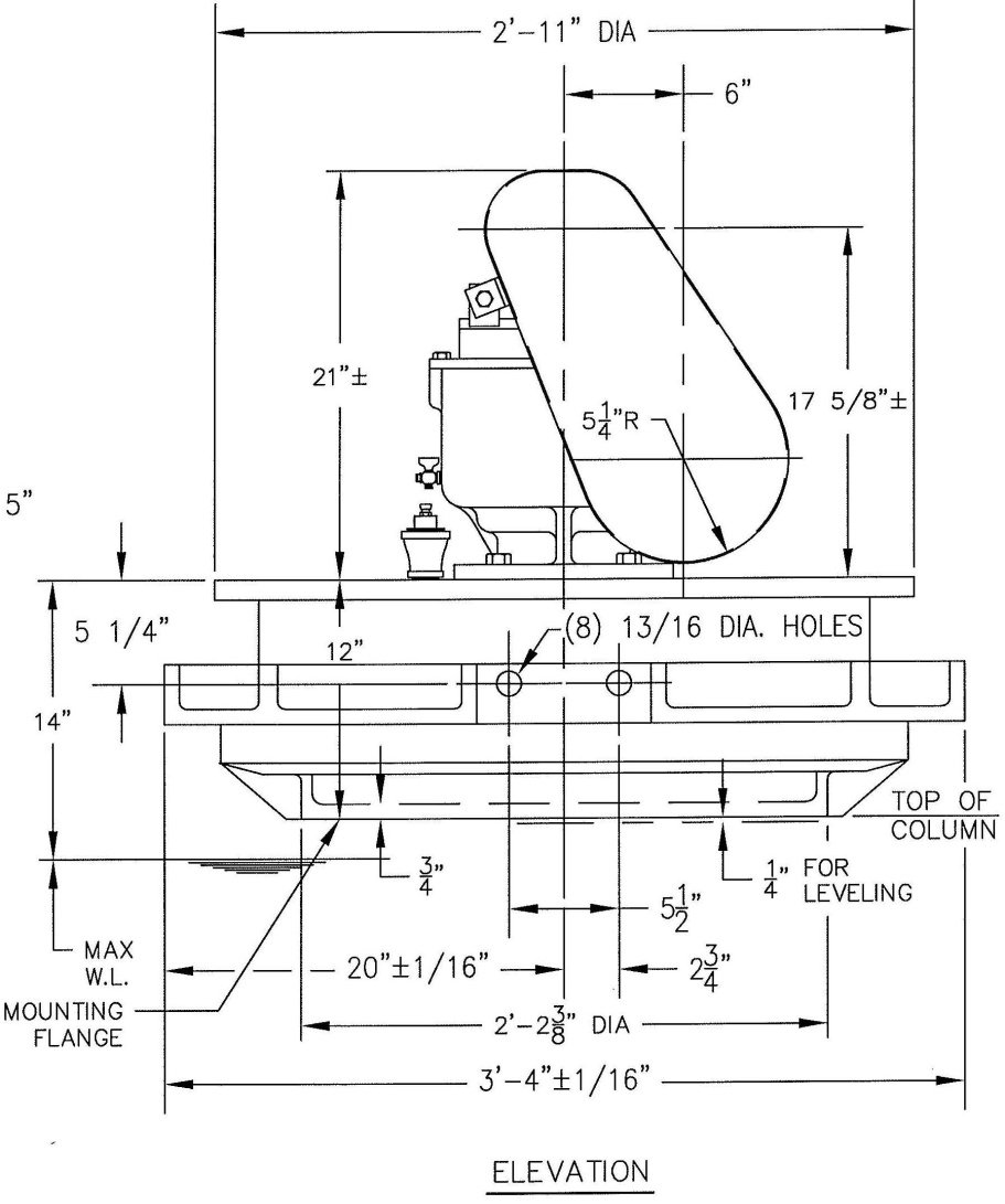
Model 286P1

Technical drawing of a toilet, showing side elevation with detailed dimensions and hole placements for installation.

Output Torque (Note 1): 13,600 ft-lbs (18,400 N-m)
Drive Motor: 1/2 hp
Approx Worm Gear Weight: 1,920 lbs

Collector

  • Nominal Diameter & Tip Speeds

    • 30ft | 7.6 ft/min | 0.0837 rpm

    • 35ft | 9.0 ft/min | 0.0837 rpm

    • 40ft | 10.3 ft/min | 0.0837 rpm

Notes:

  1. Defined as: Maximum Continuous 20 Year Rated Output Torque

  2. Tip Speed calculated at Mechanism diameter = 12" less than Collector Nominal Diameter

  3. These Pier Supported drive units are not recommended for use on clarifier mechanism with diameter greater than the range listed in the table above.

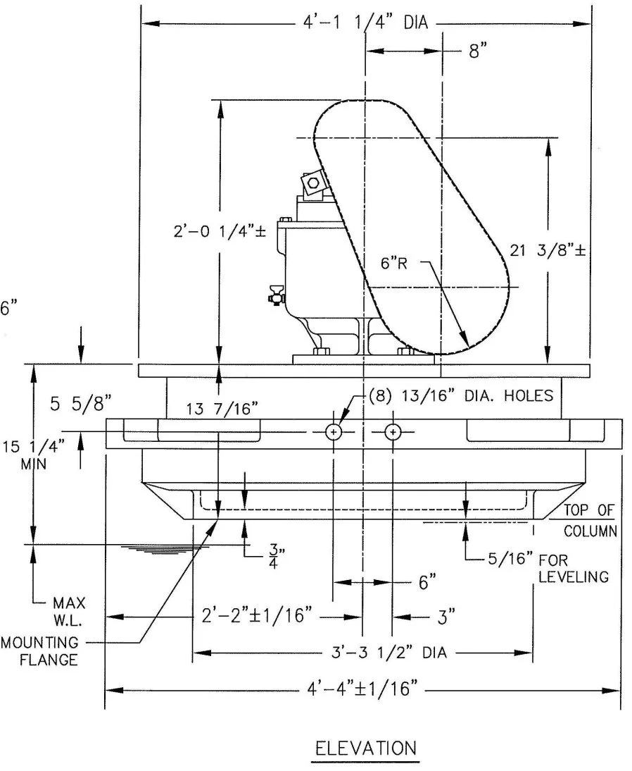
Model 286P2

Technical drawing of a toilet with detailed measurements and specifications for installation.

Output Torque: 14,100 ft-lbs (19,100 N-m)
Drive Motor: 1/2 hp
Approx Worm Gear Weight: 1,050 lbs

Collector

  • Nominal Diameter & Tip Speeds

    • 45 ft | 8.3 ft/min | 0.0601 rpm

    • 50 ft | 9.2 ft/min | 0.0601 rpm

    • 55 ft | 10.2 ft/min | 0.0601 rpm

Notes:

  1. Defined as: Maximum Continuous 20 Year Rated Output Torque

  2. Tip Speed calculated at Mechanism diameter = 12" less than Collector Nominal Diameter

  3. These Pier Supported drive units are not recommended for use on clarifier mechanism with diameter greater than the range listed in the table above.

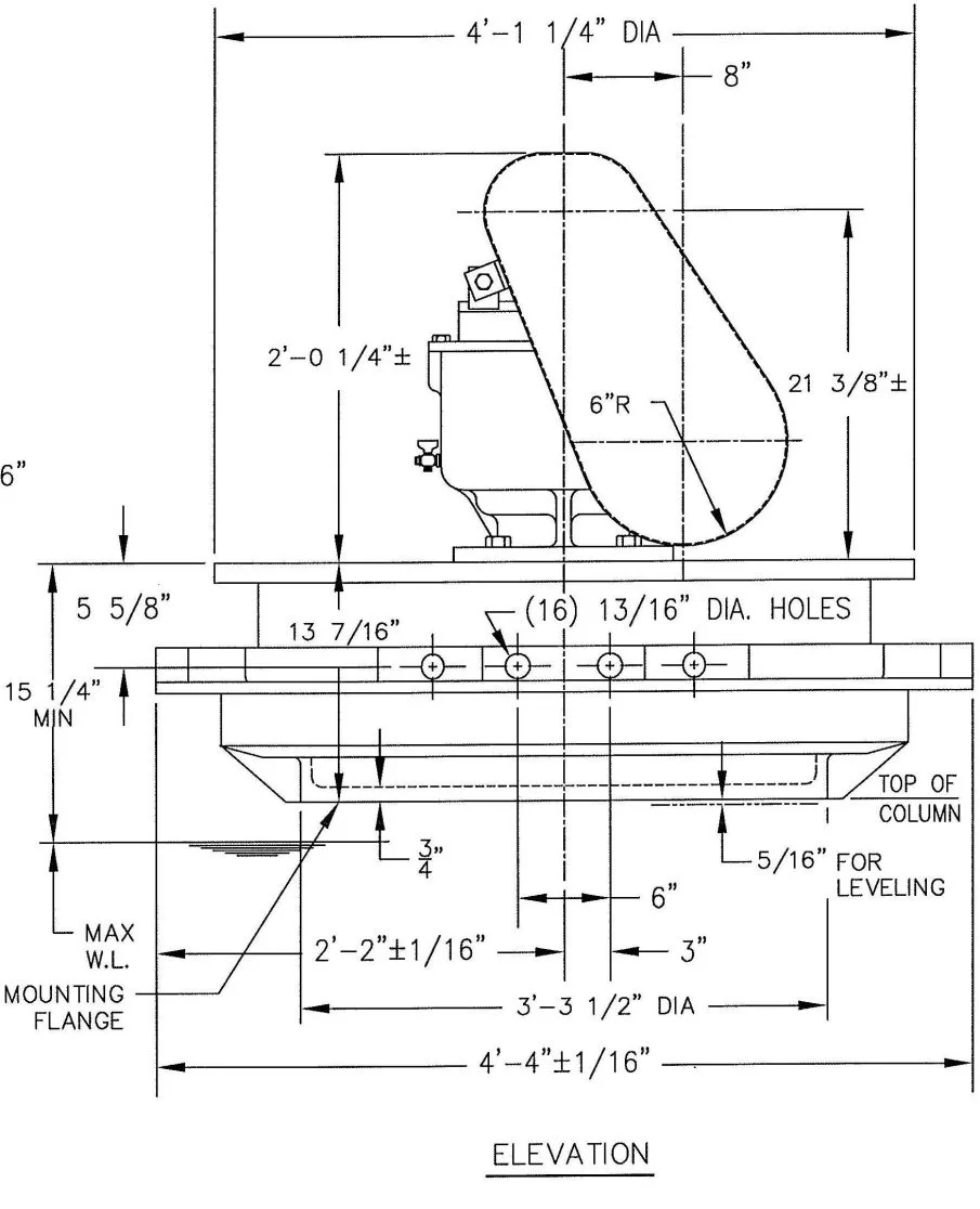
Model 428LP1

Technical drawing of a toilet installation showing elevation, dimensions, mounting flange, and bolt hole locations.

Output Torque: 28,500 ft-lbs (38,600 N-m)
Drive Motor: 1/2 hp
Approx Worm Gear Weight: 2,700 lbs

Collector

  • Nominal Diameter & Tip Speeds

    • 60 ft | 8.1 ft/min | 0.0437 rpm

    • 65 ft | 8.8 ft/min | 0.0437 rpm

    • 70 ft | 9.5 ft/min | 0.0437 rpm

    • 75 ft | 0.2 ft/min | 0.0437 rpm

    • 80 ft | 10.8 ft/min | 0.0437 rpm

Notes:

  1. Defined as: Maximum Continuous 20 Year Rated Output Torque

  2. Tip Speed calculated at Mechanism diameter = 12" less than Collector Nominal Diameter

  3. These Pier Supported drive units are not recommended for use on clarifier mechanism with diameter greater than the range listed in the table above.

Model 428LP2

Technical drawing of a toilet with detailed measurements and mounting specifications.

Output Torque: 29,00 ft-lbs (39,300 N-m)
Drive Motor: 1/2 hp
Approx Worm Gear Weight: 2,700 lbs

Collector

  • Nominal Diameter & Tip Speeds

    • 85 ft | 8.1 ft/min | 0.0306 rpm

    • 90 ft | 8.5 ft/min | 0.0306 rpm

    • 95 ft | 9.0 ft/min | 0.0306 rpm

    • 100 ft | 9.5 ft/min | 0.0306 rpm

    • 105 ft | 10.0 ft/min | 0.0306 rpm

    • 110 ft | 10.5 ft/min | 0.0306 rpm

Notes:

  1. Defined as: Maximum Continuous 20 Year Rated Output Torque

  2. Tip Speed calculated at Mechanism diameter = 12" less than Collector Nominal Diameter

  3. These Pier Supported drive units are not recommended for use on clarifier mechanism with diameter greater than the range listed in the table above.

Model 428LP3

Technical drawing of a toilet with detailed measurements, including height, width, pipe sizes, holes, and mounting flange.

Output Torque: 29,000 ft-lbs (39,300 N-m)
Drive Motor: 1/2 hp
Approx Worm Gear Weight: 2,700 lbs

Collector

  • Nominal Diameter & Tip Speeds

    • 115 ft | 8.9 ft/min | 0.0248 rpm

    • 120 ft | 9.3 ft/min | 0.0248 rpm

Notes:

  1. Defined as: Maximum Continuous 20 Year Rated Output Torque

  2. Tip Speed calculated at Mechanism diameter = 12" less than Collector Nominal Diameter

  3. These Pier Supported drive units are not recommended for use on clarifier mechanism with diameter greater than the range listed in the table above.

Model 428HP1

Technical engineering drawing of a mechanical component with detailed measurements, holes, and mounting flange.

Output Torque: 37,000 ft-lbs (50,200 N-m)
Drive Motor: 1/2 hp
Approx Worm Gear Weight: 2,750 lbs

Collector

  • Nominal Diameter & Tip Speeds

    • 60 ft | 8.1 ft/min | 0.0436 rpm

    • 65 ft | 8.8 ft/min | 0.0436 rpm

    • 70 ft | 9.5 ft/min | 0.0436 rpm

    • 75 ft | 10.1 ft/min | 0.0436 rpm

    • 80 ft | 10.8 ft/min | 0.0436 rpm

Notes:

  1. Defined as: Maximum Continuous 20 Year Rated Output Torque

  2. Tip Speed calculated at Mechanism diameter = 12" less than Collector Nominal Diameter

  3. These Pier Supported drive units are not recommended for use on clarifier mechanism with diameter greater than the range listed in the table above.

Model 428HP2

Technical elevation drawing of a machine mounted on a base, with measurements for mounting holes, dimensions, and component placement, including a large inclined component and various detailed annotations.

Output Torque: 42,000 ft-lbs (56,900 N-m)
Drive Motor: 1/2 hp
Approx Worm Gear Weight: 2,750 lbs

Collector

  • Nominal Diameter & Tip Speeds

    • 85 ft | 8.1 ft/min | 0.0305 rpm

    • 90 ft | 8.5 ft/min | 0.0305 rpm

    • 95 ft | 9.0 ft/min | 0.0305 rpm

    • 00 ft | 9.5 ft/min | 0.0305 rpm

    • 105 ft | 10.0 ft/min | 0.0305 rpm

    • 110 ft | 10.5 ft/min | 0.0305 rpm

Notes:

  1. Defined as: Maximum Continuous 20 Year Rated Output Torque

  2. Tip Speed calculated at Mechanism diameter = 12" less than Collector Nominal Diameter

  3. These Pier Supported drive units are not recommended for use on clarifier mechanism with diameter greater than the range listed in the table above.

Model 428HP3

Technical engineering drawing with measurements for installing a component, including mounting flange and column top, with detailed dimensions and hole placements.

Output Torque: 42,000 ft-lbs (56,900 N-m)
Drive Motor: 1/2 hp
Approx Worm Gear Weight: 2,750 lbs

Collector

  • Nominal Diameter & Tip Speeds

    • 115 ft | 8.9 ft/min | 0.0247 rpm

    • 120 ft | 9.3 ft/min | 0.0247 rpm

Notes:

  1. Defined as: Maximum Continuous 20 Year Rated Output Torque

  2. Tip Speed calculated at Mechanism diameter = 12" less than Collector Nominal Diameter

  3. These Pier Supported drive units are not recommended for use on clarifier mechanism with diameter greater than the range listed in the table above.

Request a Quote

Interested in our gear drives? Fill out some info and we will be in touch shortly.